| picto_embalaje_de_venta | picto_embalaje_grande | Technical Info. | |||
|---|---|---|---|---|---|
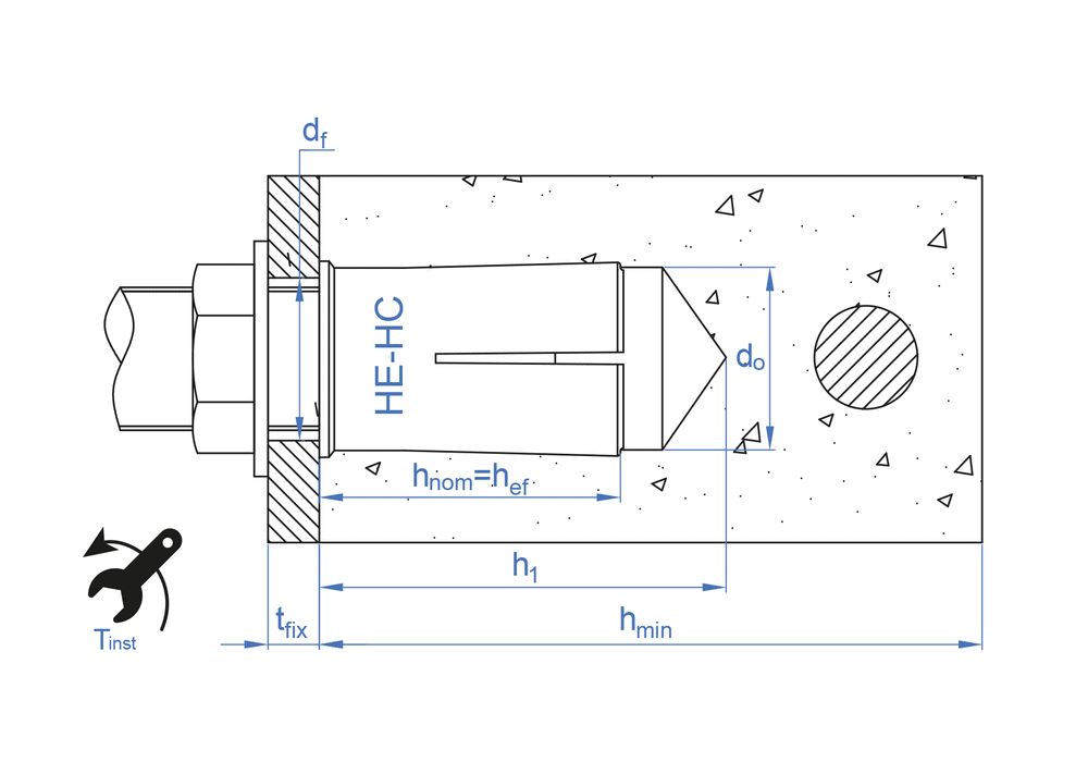
| M8 x 25 | 25 | 100 | 1.600 | ||
![]() 
  | |||||
| M10 x 25 | 25 | 50 | 800 | ||
![]() 
  | |||||
| M12 x 25 | 25 | 50 | 800 | ||
![]() 
  | |||||



															
钢筋混凝土
混凝土
石材
空心板如果您有任何疑问或需要更多信息,请使用此表格写信给我们:
Nuestro departamento de ingeniería pone a tu disposición formaciones específicas y personalizadas en los diferentes temas relacionados con el mundo de la fijación: fijaciones metálicas o químicas, sistemas de instalación, normativas, realización de cálculos…
La relación con nuestros clientes no finaliza con la venta de nuestros productos. Desde INDEX® entendemos que en muchas ocasiones es necesario un acompañamiento en obra donde nuestra experiencia es la mejor aliada para que todo encaje a la perfección. Nuestros ingenieros y técnicos apoyarán a los responsables de cada proyecto en la planificación y selección de la mejor solución con el fin de ahorrar tiempo y costes de la manera más efectiva.
Desde INDEX® queremos ofrecer el servicio más integral a nuestros clientes. Además de proporcionarles las mejores soluciones en fijaciones y anclajes, nuestro equipo de ingenieros especializados, asesora técnicamente a todos nuestros clientes. Además, disponemos de potentes herramientas de software para realizar los cálculos necesarios con total exactitud.